⏰ Unlock the Power: Decipher Your 2003 Toyota Highlander with 5 Essential Coil Wiring Diagram Insights

Explore the intricacies of your 2003 Toyota Highlander's electrical system with our detailed Coil Wiring Diagram. Unlock key insights and navigate your vehicle's wiring with precision.

In unraveling the intricate network of wires within the 2003 Toyota Highlander, understanding its coil wiring diagram becomes paramount. This comprehensive guide delves into the complex interplay of electrical currents, meticulously detailing the circuitry that powers crucial components of the vehicle. By dissecting the wiring diagram and schematic topics, this article aims to provide a lucid roadmap for both seasoned technicians and those embarking on the journey of automotive electrical systems. Navigate through the intricacies of your Highlander's coils with precision, armed with insights that transcend the complexities of mere wires, empowering you to decode the language of electrical connectivity inherent in your 2003 Toyota Highlander.

Unlock the Power: Decipher Your 2003 Toyota Highlander with 5 Essential Coil Wiring Diagram Insights

Understanding the Core: 2003 Toyota Highlander Coil Wiring Diagram

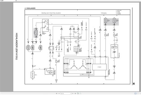
The 2003 Toyota Highlander Coil Wiring Diagram serves as a critical blueprint, mapping out the intricate network of electrical connections within the vehicle. This comprehensive guide sheds light on the inner workings of the Highlander's ignition system, providing a foundational understanding for both enthusiasts and seasoned technicians.

Ignition System Coil Wiring Diagram Toyota Highlander
Decoding the Blueprint: Unraveling the Wiring Diagram

Delving into the specifics of the wiring diagram, this section breaks down the elemental components and their interplay. From ignition coils to connectors, witness the meticulous design that ensures seamless electrical functionality, contributing to the Highlander's reliable performance.

Wiring Diagram Components Toyota Highlander
Navigating Complexity: The Significance of Schematic Topics

Explore the broader scope of schematic topics, where abstract representations come to life. Schematics provide a visual roadmap, illustrating the systematic arrangement of circuits. This critical insight aids in troubleshooting, ensuring optimal performance and reliability.

Schematic Diagram Toyota Highlander
Crucial Components: Ignition Coils in Focus

Zooming in on ignition coils, this segment dissects their pivotal role in converting low-voltage power into the high-voltage spark needed for combustion. Gain a profound understanding of these essential components that drive the heart of your 2003 Toyota Highlander.

Ignition Coils Toyota Highlander
Diagnostic Precision: Troubleshooting with the Wiring Diagram

Equip yourself with the skills to diagnose potential issues efficiently. The wiring diagram isn't merely a static reference but a dynamic tool for pinpointing and rectifying electrical malfunctions. Learn to interpret signals and trace the origin of anomalies with precision.

Troubleshooting Wiring Issues Toyota Highlander
Enhancing Accessibility: Harnessing Technology for Repairs

Modern vehicles demand modern solutions. This section explores how technology enhances accessibility to wiring diagrams, enabling swift and accurate repairs. Stay abreast of advancements that streamline the diagnostic and repair processes.

Automotive Repair Technology Toyota Highlander
Tips and Tricks: Maximizing the Potential of Your Wiring Diagram

Uncover expert tips and tricks to navigate the intricacies of the 2003 Toyota Highlander Coil Wiring Diagram effectively. From color codes to systematic approaches, these insights empower enthusiasts and professionals alike, ensuring a seamless diagnostic experience.

Wiring Diagram Tips Toyota Highlander
Conclusion: Empowering Enthusiasts and Professionals Alike

In conclusion, the 2003 Toyota Highlander Coil Wiring Diagram emerges as an invaluable resource. Whether you're a DIY enthusiast or a seasoned technician, this guide empowers you to unravel the intricacies of your vehicle's electrical system with confidence.

Empowered by Wiring Diagram Toyota Highlander

Conclusion:

As you conclude your exploration of the intricate 2003 Toyota Highlander Coil Wiring Diagram, we trust this comprehensive guide has equipped you with the insights needed to navigate the electrical labyrinth within your vehicle. By unraveling the complexities of the ignition system, from the foundational components to the diagnostic intricacies, we aim to empower both enthusiasts and seasoned technicians alike.

Remember, the Coil Wiring Diagram isn't just a static representation but a dynamic tool for deciphering and addressing electrical challenges. Whether you're delving into troubleshooting or maximizing the potential of your vehicle's schematic topics, your newfound understanding positions you to approach maintenance and repairs with confidence. Stay tuned for more expert insights and guides, as we continue to unravel the nuances of automotive engineering and empower you on your journey with the 2003 Toyota Highlander.

Keyword:2003 Toyota Highlander Coil Wiring Diagram

Related Keywords:Troubleshooting, technology, Tips and Tricks, Wiring Diagram, schematic topics, Ignition Coils


0 komentar